Все мастера и бригады
Украина

Нужны мастера?

Создайте заявку

Нужны сварщики с документами

Нужны опытные сварщики (Киев)

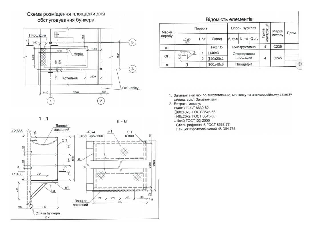
проект сварочных работ. Дополнительные работы до проекта.

1. Вырезания дверного проема

2. Вырезания проема под рампу

Интересует цена на работу. Проект вкладываю.

Нужны сварщики с удостоверением и разрешением на высотные работы.

Украина, Киевская область, г. Киев

Тендер открыт

с 3.04.2018 по 3.05.2018

Бюджет

Прикрепленный файл: скачать

Посредник

"ИНГРИД"

Всего тендеров: 5

Зарегистрирован:
05.11.2015 г.

Контактные данные

Тендер закрыт.

Вы не можете ответить на тендер

Тендер закрыт или заказчик нашел исполнителя

Комментарии отсутствуют.
Комментарии отсутствуют.
Обратите внимание
на рейтинг мастеров
Чем выше рейтинг мастера, бригады или компании, тем выше вероятность получения качественных работ.
Выбирая PRO мастера вы получаете гарантию качества от портала Omastere.
Похожие тендеры