Все мастера и бригады
Украина

Нужны мастера?

Создайте заявку

столешница из искуственного камня

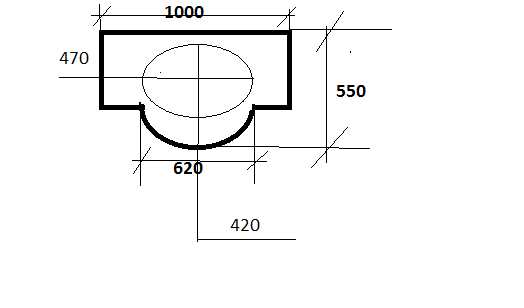
Нужно сделать столешницу из искуственного камня ,светлого тона ,толщиной 20 мм.Рисунок прилагаю .

Жду ответа с ценой.

Украина, Киевская область, г. Киев

Тендер открыт

с 10.02.2014 по 17.02.2014

Бюджет

Прикрепленный файл: скачать

Заказчик

Яковенко РемСтройСервисПлюс Павел Владимирович

Всего тендеров: 115

Зарегистрирован:
24.05.2010 г.

Контактные данные

Тендер закрыт.

Вы не можете ответить на тендер

Тендер закрыт или заказчик нашел исполнителя

Рейтинг: 36
Отзывы: 0

Здравствуйте!

Можем предложить столешницу из натурального камня: кварцит польский или Ямпольский кварцит (желтый, серый). Ориентировочная цена с фаской и гидрофобизацией 3 800 грн.

С уважением,

ТОВ "Ацтек Буд Плюс"

тел. (044) 417-03-33

(097) 506-74-14

(050) 628-98-25

http://aztec-bud.at.ua

Рейтинг: 10
Отзывы: 0

мрамор, гранит. 0663355066, Виталий

11.02.2014 г. в 09:43

Рейтинг: 14
Отзывы: 0

Искусственный камень TRISTONE (ТРАЙСТОУН)

Искусственный камень BienStone (Бинстоун)

тел.066-216-14-90

044-223-72-29

сайт mebelhome.ucoz.ua

Рейтинг: 10
Отзывы: 0

здравствуйте, цена столешницы данных размеров из искусственного камня самсунг старон будет 2500грн

Комментарии отсутствуют.
Обратите внимание
на рейтинг мастеров
Чем выше рейтинг мастера, бригады или компании, тем выше вероятность получения качественных работ.
Выбирая PRO мастера вы получаете гарантию качества от портала Omastere.
Похожие тендеры